Wiring Diagram For Sears Craftsman Radial Arm Saw ~ Craftsman 113 196380 Owner S Manual Pdf Download Manualslib

Wiring Diagram For Sears Craftsman Radial Arm Saw ~ Craftsman 113 196380 Owner S Manual Pdf Download Manualslib. He included the blade and accessories he had for the saw as well. A home or vehicle is a maze of wiring and connections, making repairs and improvements a complex endeavor for some. It's like the electronics are not seeing the encoders. Rockwell beaver sears table saw wiring diagram. I have a 1997 sears craftsman radial arm saw 113.197150 that's virtually new.

Tractor wiring diagram wire diagram electrical wiring. Departments accessories appliance parts exercise. Sold by sears, part no. New installation wiring diagram of motorcycle alarm system. 79b273f table saw electric motor capacitor wiring diagram wiring.

Diy Radial Arm Saw Electronic Brake Youtube
Diy Radial Arm Saw Electronic Brake Youtube from i.ytimg.com
Spend your points & save money on millions of items—including things like gas, groceries & dining out. I was given a sears radial arm saw a couple of years ago by an older friend. 79b273f table saw electric motor capacitor wiring diagram wiring. Feb 03, 2011 · 113.198900 craftsman 12 radial arm saw: Tractor wiring diagram wire diagram electrical wiring. Craftsman 10 radial arm saw 113 29402 113 29440 operator parts manual ozark tool manuals books radial arm saw radial arm saw table boat plans Use our interactive diagrams, accessories, and expert repair help to fix your craftsman radial arm saw. Get 1% cashback in points on every $1 you spend.

I bought it from a fellow that got it as a gift and never put it together.

Searching for discontinued parts from sears. Get 1% cashback in points on every $1 you spend. Craftsman radial arm saw wiring diagram wiring diagram delta unisaw wiring diagram automotive wiring schematic craftsman 10 table saw parts model 137248830 sears After cleaning up the battery box, replacing the battery and setting the points of reference for the miter, bevel and elevation, when i make an adjustment to that setting, the display still reads zero. Craftsman riding mower electrical diagram wiring diagram. Report this by manage my life. We also have installation guides, diagrams and manuals to help you along the way! Operator's instruction and maintenance manual with useful sectional drawings, annotated photographs of various assemblies and a wiring diagram. It sat in the box in his garage for a decade. The following are owners manuals. I think i broke something. Looking for miter saw motor brush 816768 replacement or repair part. Convert to 220v on 50 760 delta finewoodworking.

You can choose your academic level: Departments accessories appliance parts exercise. Vintagemachinery.org was founded as a public service to amateur and professional woodworkers who enjoy using and/or restoring vintage machinery. 1976/1977 sears craftsman power and hand tool catalog: Get 1% cashback in points on every $1 you spend.

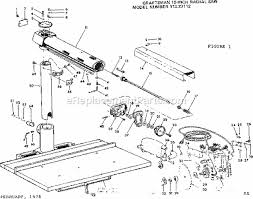
Craftsman 10 Radial Arm Saw 113 29402 113 29440 Operator Parts Manual Ozark Tool Manuals Books
Craftsman 10 Radial Arm Saw 113 29402 113 29440 Operator Parts Manual Ozark Tool Manuals Books from ozarktoolmanuals.com
Sears craftsman 30b0363 liftmaster chamberlain capacitor. 113.63503 gets no search results. He included the blade and accessories he had for the saw as well. Craftsman riding mower electrical diagram wiring diagram. You'll get freecash in points—because we like you! Delta saw wiring diagram wiring diagram. I have a 1997 sears craftsman radial arm saw 113.197150 that's virtually new. After cleaning up the battery box, replacing the battery and setting the points of reference for the miter, bevel and elevation, when i make an adjustment to that setting, the display still reads zero.

Rigid saws will be similar.

The electronics package on my sears radial arm saw recently went south. Craftsman 115 6962 motor restoration part 2 michael parrish blog. It sat in the box in his garage for a decade. Well, i bought it, assembled it and plugged it in. Pin on wiring diagram 18hp. Jul 12, 2021 · wiring diagram for sears craftsman radial arm saw : Here it is after all that on initial no load test. 81769 general table saw wiring diagram digital resources. He included the blade and accessories he had for the saw as well. New installation wiring diagram of motorcycle alarm system. You'll get freecash in points—because we like you! 113.63503 gets no search results. Operator's instruction and maintenance manual with useful sectional drawings, annotated photographs of various assemblies and a wiring diagram.

Carefully read the instructions provided, observe the simple From www.fixya.com for a boombox schematic in particula. Points can be redeemed at sears and kmart, and expire 365 days from your purchase date. He included the blade and accessories he had for the saw as well. 113242502 240 volt table saw motor.

Radial Arm Saws The Tool That Just Won T Die Fine Homebuilding
Radial Arm Saws The Tool That Just Won T Die Fine Homebuilding from s3.amazonaws.com
It worked, but only for three cuts. New installation wiring diagram of motorcycle alarm system. You'll get freecash in points—because we like you! 113242502 240 volt table saw motor. Sears craftsman 30b0363 liftmaster chamberlain capacitor. The following are owners manuals. Searching for discontinued parts from sears. Our purpose is to provide information about vintage machinery that is generally difficult to locate.

Spend your points & save money on millions of items—including things like gas, groceries & dining out.

Report this by manage my life. The parts saw was promptly pulled apart and that switch removed and once. 113242502 240 volt table saw motor. 79b273f table saw electric motor capacitor wiring diagram wiring. 1950 s craftsman 3 4 horse electric motor rough wiring diagram. There are a couple of ways to find the part or diagram. I think i broke something. New installation wiring diagram of motorcycle alarm system. Departments accessories appliance parts exercise. Sears craftsman 30b0363 liftmaster chamberlain capacitor. We also have installation guides, diagrams and manuals to help you along the way! I have a 1997 sears craftsman radial arm saw 113.197150 that's virtually new. The following are owners manuals.